This repository was archived by the owner on May 9, 2024. It is now read-only.
Open
Conversation
Author
|
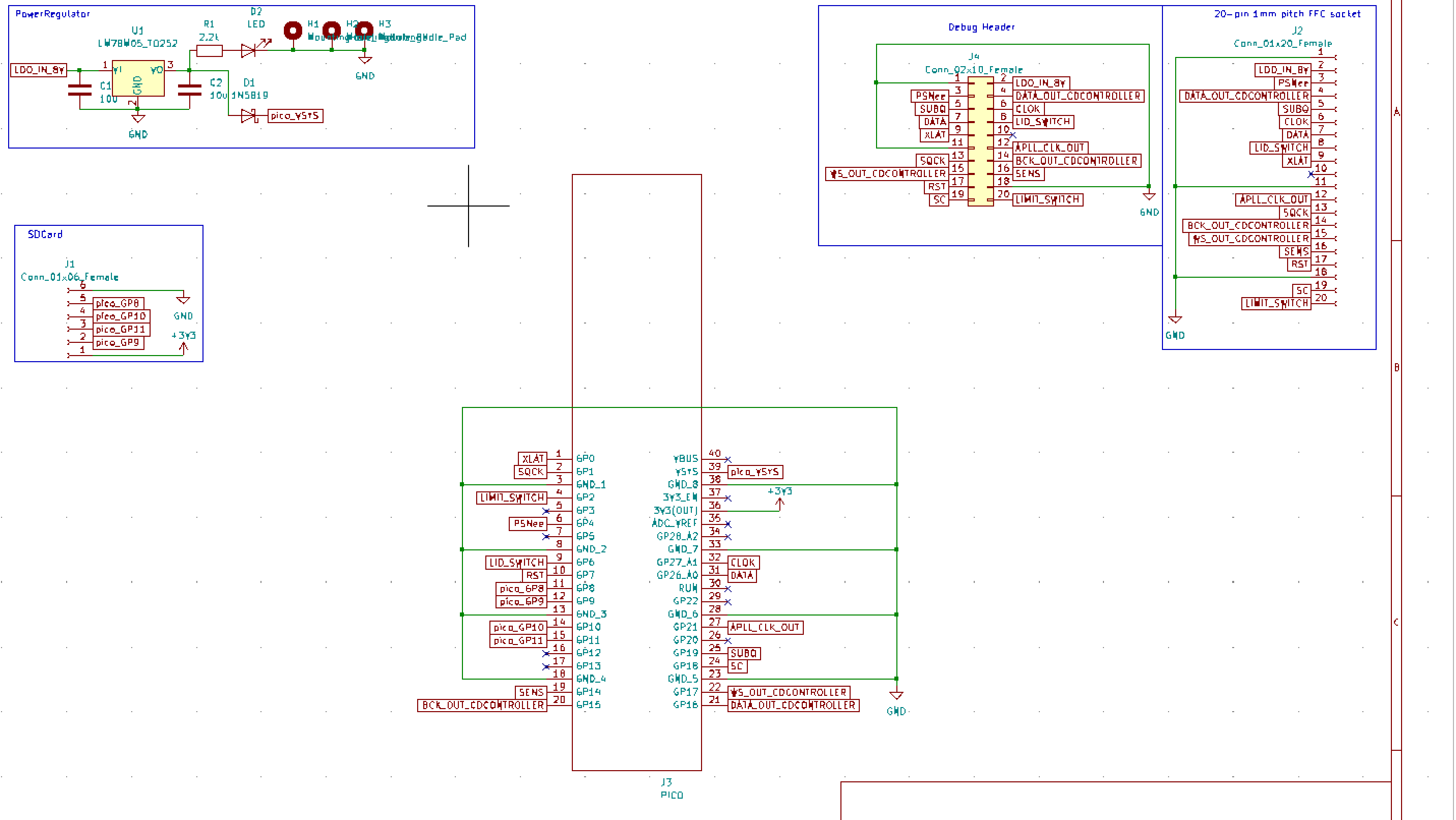
Change J4 to 02x10 in Schematic Please verify PCB looks ok before merging |
Author
Author
Author
Author
Collaborator
|
Did you try this pcb ? |
Author
|
I've not, i only have the original ones. It should work as all this does is change the label names and add silk screens, The PCB layout didnt change as far as i could tell. |
This file contains hidden or bidirectional Unicode text that may be interpreted or compiled differently than what appears below. To review, open the file in an editor that reveals hidden Unicode characters.
Learn more about bidirectional Unicode characters
Sign up for free
to subscribe to this conversation on GitHub.
Already have an account?
Sign in.
Add this suggestion to a batch that can be applied as a single commit.This suggestion is invalid because no changes were made to the code.Suggestions cannot be applied while the pull request is closed.Suggestions cannot be applied while viewing a subset of changes.Only one suggestion per line can be applied in a batch.Add this suggestion to a batch that can be applied as a single commit.Applying suggestions on deleted lines is not supported.You must change the existing code in this line in order to create a valid suggestion.Outdated suggestions cannot be applied.This suggestion has been applied or marked resolved.Suggestions cannot be applied from pending reviews.Suggestions cannot be applied on multi-line comments.Suggestions cannot be applied while the pull request is queued to merge.Suggestion cannot be applied right now. Please check back later.




Uh oh!
There was an error while loading. Please reload this page.