Skip to content

gowthamgdn/werk24-python

 
 

Folders and files

NameName
Last commit message
Last commit date

Latest commit

 

History

970 Commits
 
 
 
 
 
 
 
 
 
 
 
 
 
 
 
 
 
 
 
 
 
 
 
 

Repository files navigation

Werk24 Client

Werk24

pypi Tests | cpython 3.8, 3.9, 3.10

Features

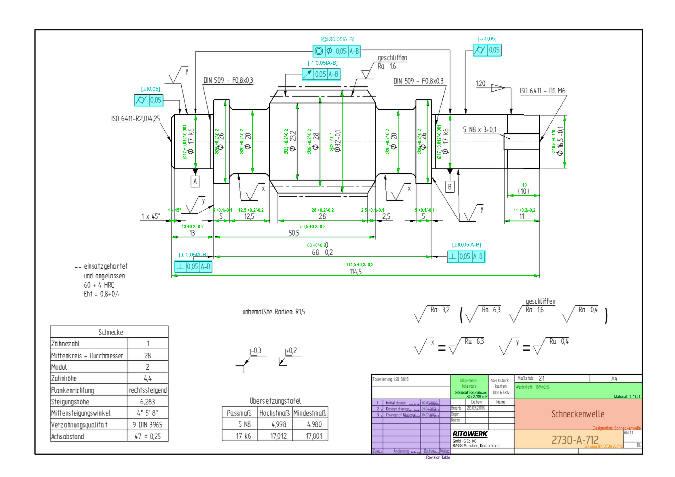
When submitting a PDF, PNG, JPEG of a Technical Drawing to Werk24's API, you receive within seconds the following features:

  • Measures and Tolerances
  • Threads and Chamfers
  • Geometric Dimensioning and Tolerancing frames
  • External Dimensions
  • Surface Roughnesses
  • the Title Block information (Material, Drawing ID, Designation, General Tolerances)

And finally you can obtain a CAD Approximation of the part's Geometry. Currently this features is focused on flat parts, such as sheet metal parts, but more is in the pipeline.

Check our website at https://werk24.io.

Input Output
Werk24 Werk24
Original drawing by T. Hartmann (CC)

Applications

Typical applications of our Technology include

  • Instant Pricing on 2D Engineering Drawings
  • Feasibility Checks on incoming RFQs
  • Auto-Fill of Online Configurators
  • Automated Anonymiziation of Technical Drawings
  • Automated Supplier Scouting
  • Automated Registration of incoming RFQs into your ERP system
  • Structured Archiving

Installation

Pip installation

pip install werk24

Documentation

See https://werk24.io/docs/index.html

CLI

To get a first impression, you can run the CLI:

usage: w24cli techread [-h] [--ask-techread-started] [--ask-page-thumbnail]
                   [--ask-sheet-thumbnail] [--ask-sectional-thumbnail]
                   [--ask-variant-measures]
                   input_files

Example

from werk24 import Hook, W24TechreadClient, W24AskVariantMeasures

async def read_measures_from_drawing(document_bytes:bytes) -> None:

    # define what you want to learn about the drawing, and what function
    # should be called when a response arrives
    hooks = [Hook(ask=W24AskVariantMeasures(), function=print)]

    # make the call
    client = W24TechreadClient.make_from_env()
    async with client as session:
        await session.read_drawing_with_hooks(document_bytes,hooks)

About

Automated Processing of Technical Drawings

Resources

License

Stars

Watchers

Forks

Packages

No packages published

Languages

  • Python 99.9%
  • Makefile 0.1%